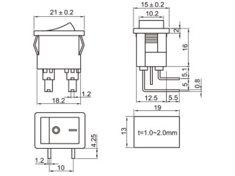
KCD1-201(弯脚)
(1) 额定负荷 (Rated Load):AC125V 10A AC250V 6A
(2) 环境温度 (Operating Temperature):-25℃~70℃
(3) 相对湿度 (Relative Humidity):(40℃)≤95%
(4) 接触电阻 (Contact Resistance):≤ 0.05Ω
(5) 绝缘电阻 (Insulation Resistance):≥ 100MΩ
(6) 耐压 (Dielectric):≥ AC 500VAC (50Hz)/min
(7) 电气寿命 (Life):≥ 10,000cycles
产品详情

在线询价




